Generator prądotwórczy kincho kc950

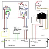
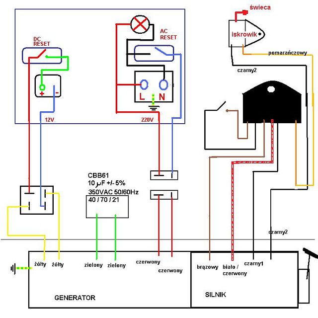
  • Mam generator prądotwórczy kincho kc950. dostałem go w "prezencie" do naprawy.Sprawa jest taka że został zalany paliwem, zapaliły się przewody, potem osoba ktora izolowała przewody niewiadomo czy dobrze podłączyła wszystko.Poszukuje osoby która ma podobny generator i mogłaby pomóc.zanim odłaczyłem wszystko zrobiłem schemat( poniżej fota.)Pytanie brzmi, jak powinny być podłączone kable do czarnej kostki.Sprawdzałem iskrę, ale jest ona dopiero przy wyłączonym wyłączniku.Wolałbym nie przekładać kabli metodą prób i błędów żeby czegoś gorzej nie popsuć.interesuje mnie podłączenie kabli od kostki do silnika.Prawdopodobnie jest to standard w konstrucji generatorów jednofazowych do 800W

    Kliknij w obrazek, aby powiększyć.
  • Wrzuce jeszcze fotki dla podglądu to własnie ta czarna kostka.

    Kliknij w obrazek, aby powiększyć.
  • i tak to wygląda

    Kliknij w obrazek, aby powiększyć.
  • Cytuj Zgłoś nadużycie

    No cóż, Twój generator to Kicha nie Kincho.

  • Cytuj Zgłoś nadużycie

    Odezwij się na elektroda. Pl, tam na pewno znajdziesz odpowiedź.

  • http://www.elektroda.pl/rtvforum/viewtopic.php?t=2542055&highlight=

    temat wisi od dawna.
    Najlepiej jak ktoś ma agregat do 800W i może pomóc.
    Wystarczy zdjąc tylko bak i widać jakie kable gdzie idą. Interesuja mnie tylko kanle z silnika, bo z agregatem sobie poradze.

  • szkoda go wyrzucać bo silnik wygląda ok, genererator też nie uszkodzony.

  • Cytuj Zgłoś nadużycie

    Nie ten czarny to do lewego a lewy do prawego.